| Автор |
Сообщение |
|
admin
|
 |
Заголовок сообщения: Блок питания из сгоревшей лампы или ещё из чего-то. Часть 2 Добавлено: 16 окт 2012, 14:03 |
|
Зарегистрирован: 13 июл 2009, 18:52 Сообщения: 7140
|
Топик из нескольких частей: Часть 1, Часть 2, Часть 3, Часть 4Обсуждаем статьи, делимся опытом.Статьи.Как за час сделать импульсный блок питания из сгоревшей лампочки?Как намотать импульсный трансформатор для сетевого блока питания?Ремонт зарядного устройства LI-10C от фотокамеры Olympus.Несколько слов про экранирование импульсного источика питания. Мелкие подробности
- О способах получения необходимого тока в цепи первичной обмотке трансформатора обратной связи импульсного блока питания с автогенерацией. Схема с двумя ОС от NickF.
- О способе снижения нагрева резистора, ограничивающего базовый ток ключей.
Дополнительные материалы.Вложение: Стабилизированный БП из балласта КЛЛ.pdf Вложение: БП для шуруповёрта из балласта КЛЛ.doc - Скачать книгу "Блоки питания для системных модулей типа IBM PC-XT/AT" (0,9мБ).
- Скачать программу универсальный, портативный "Калькулятор" (радиолюбителя) (0,5мБ).
- Скачать Справочник "Источники питания" Москатова в формате DJVU (10МБ).
- Электро-технический стравочник. Корякин-Черняк (5,4МБ). Есть информация по балластам на микросхемах.
- Даташит на микросхему MC34063 со схемами повышения выходного тока на основе транзисторов PNP и NPN структуры (1МБ).
- Как изготовить светодиодную лампу из КЛЛ (0,5МБ).
- Полезные программы и справочники для радиолюбителя.
Пароль на все архивы: oldoctober.com
|
|
| Вернуться к началу |
|
 |
|
Василий
|
Заголовок сообщения: Re: Блок питания из сгоревшей лампы или ещё из чего-то. Часть 2 Добавлено: 09 мар 2013, 23:26 |
|
Зарегистрирован: 06 фев 2013, 08:44 Сообщения: 57
|
|
Можно ли в моей схеме использовать транзисторы D13007 из блока питание ПК????? И не знаете ли вы как разобраться в маркировке конденсаторов в моей схеме??? И конденсаторы которые вы дорисовали на сколько вольт???
|
|
| Вернуться к началу |
|
 |
|
admin
|
Заголовок сообщения: Re: Блок питания из сгоревшей лампы или ещё из чего-то. Часть 2 Добавлено: 10 мар 2013, 01:46 |
|
Зарегистрирован: 13 июл 2009, 18:52 Сообщения: 7140
|
|
| Вернуться к началу |
|
 |
|
Прохожий 56
|
Заголовок сообщения: Re: Блок питания из сгоревшей лампы или ещё из чего-то. Часть 2 Добавлено: 10 мар 2013, 09:23 |
|
Зарегистрирован: 09 мар 2013, 19:28 Сообщения: 8
|
|
| Вернуться к началу |
|
 |
|
Прохожий 56
|
Заголовок сообщения: Re: Блок питания из сгоревшей лампы или ещё из чего-то. Часть 2 Добавлено: 10 мар 2013, 11:26 |
|
Зарегистрирован: 09 мар 2013, 19:28 Сообщения: 8
|
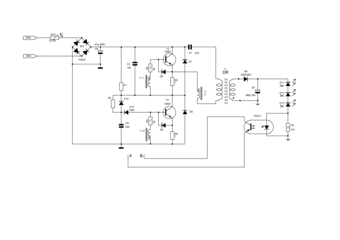
Вот обещаная схема, ну то есть как я ее смог срисовать с печатной платы, и как представляю себе подключение светодиодов, измерительного шунта (токового датчика) и оптопары со стороны светодиодов. Безусловно есть какие то ошибки - поправьте. А вот куда подключать точки А и В , чтобы получить регулировку, я без понятия 
| Вложения: |

999.GIF [ 33.54 Кб | Просмотров: 59951 ]
|
|
|
| Вернуться к началу |
|
 |
|
Василий
|
Заголовок сообщения: Re: Блок питания из сгоревшей лампы или ещё из чего-то. Часть 2 Добавлено: 10 мар 2013, 12:27 |
|
Зарегистрирован: 06 фев 2013, 08:44 Сообщения: 57
|
|
Можно ли в моей схеме использовать транзисторы D13007 из блока питание ПК????? И на сколько рассчитаны вольт конденсаторы в схеме 2J333J; 2J102; 3A222J ??
|
|
| Вернуться к началу |
|
 |
|
admin
|
Заголовок сообщения: Re: Блок питания из сгоревшей лампы или ещё из чего-то. Часть 2 Добавлено: 10 мар 2013, 13:49 |
|
Зарегистрирован: 13 июл 2009, 18:52 Сообщения: 7140
|
Василий1. Да, можно. 2. На 400 Вольт и выше. Прохожий 56admin писал(а): Прохожий 56, видимо, хочет сделать из автогенератора ШИМ-генератор, чтобы повысить КПД. Думаю, проще было бы добавить импульсный стабилизатор тока. Хотя, при таком низком выходном напряжении, всё равно, КПД всей системы буде не велик. Чтобы его повысить нужно строить совсем другие БП. Некуда подключить обратную связь в автогенераторе, тем более, что она уже есть и обеспечивается трансформатором Т1 (по вашей схеме).
_________________ Сделай сам. О бюджетном решении технических, и не только, задач. >>>
|
|
| Вернуться к началу |
|
 |
|
Прохожий 56
|
Заголовок сообщения: Re: Блок питания из сгоревшей лампы или ещё из чего-то. Часть 2 Добавлено: 10 мар 2013, 14:58 |
|
Зарегистрирован: 09 мар 2013, 19:28 Сообщения: 8
|
Вот еще хотел спросить, Что по поводу выпрямителя на "вторичной" стороне ? У меня стоит пока спареный диод от компьютерного блока питания, просто что подруки попало , ну и как бы с учетом высокой частоты . А вот еще, емкость в выпрямителе 220 - 8,2 мкф. Номиналы сопротивлений не реальные, а просто приблизительные, по полоскам долго разбираться. И вот еще что заметил : сейчас нагрузка - 2 резистора 15 и 11 ом по 2 ватта , естественно греются. http://oldoctober.com/forum/download/file.php?id=1049&t=1По этому долго в рабочем состоянии держать не могу, но уже через несколько секунд заметно что один из транзисторов (верхний по схеме) нагревается сильнее чем второй. Как это можно обьяснить?
Последний раз редактировалось Прохожий 56 10 мар 2013, 18:42, всего редактировалось 1 раз.
|
|
| Вернуться к началу |
|
 |
|
admin
|
Заголовок сообщения: Re: Блок питания из сгоревшей лампы или ещё из чего-то. Часть 2 Добавлено: 10 мар 2013, 16:45 |
|
Зарегистрирован: 13 июл 2009, 18:52 Сообщения: 7140
|
Прохожий 561. Предпочтительно мостовой. Если два диода, то полумостовой (нужно намотать две вторичные обмотки). 2. Диоды Шоттки годятся для высоких частот и особенно хороши при низком напряжении вторичной обмотки. 3. Ёмкость входного фильтра лучше выбирать не менее 1мФ на 1 Ватт потребляемой мощности. Прохожий 56 писал(а): И вот еще что заметил : сейчас нагрузка - 2 резистора 15 и 11 ом по 2 ватта , естественно греются. По этому долго в рабочем состоянии держать не могу, но уже через несколько секунд заметно что один из транзисторов (верхний по схеме) нагревается сильнее чем второй. Как это можно обьяснить? Задавая вопрос по схеме, пожалуйста, показывайте схему в текущем сообщении. Если схема уже где-то промелькнула выше, просто вставьте на неё ссылку, выделите её и нажмите на кнопку “Img”. Иначе непонятно, о чём конкретно идёт речь.
_________________ Сделай сам. О бюджетном решении технических, и не только, задач. >>>
|
|
| Вернуться к началу |
|
 |
|
Прохожий 56
|
Заголовок сообщения: Re: Блок питания из сгоревшей лампы или ещё из чего-то. Часть 2 Добавлено: 10 мар 2013, 18:44 |
|
Зарегистрирован: 09 мар 2013, 19:28 Сообщения: 8
|
|
Отредактировал предидущее сообщение - вставил ссылку. Теперь буду знать.
|
|
| Вернуться к началу |
|
 |
|
admin
|
Заголовок сообщения: Re: Блок питания из сгоревшей лампы или ещё из чего-то. Часть 2 Добавлено: 10 мар 2013, 19:35 |
|
Зарегистрирован: 13 июл 2009, 18:52 Сообщения: 7140
|
Прохожий 56Нет, такой выпрямитель вторичного напряжения использовать нельзя. Блок питания может выйти из строя из-за насыщения сердечника разделительного трансформатора.  Если в разделительном трансформаторе всего одна обмотке вторичного напряжения (как на вашей схеме), то используйте мостовой усилитель, как рекомендовано в статье. 
_________________ Сделай сам. О бюджетном решении технических, и не только, задач. >>>
|
|
| Вернуться к началу |
|
 |
Кто сейчас на конференции |
Сейчас этот форум просматривают: нет зарегистрированных пользователей и гости: 4 |
|
Вы не можете начинать темы Вы не можете отвечать на сообщения Вы не можете редактировать свои сообщения Вы не можете удалять свои сообщения Вы не можете добавлять вложения
|
|
|