| Автор |
Сообщение |
|
admin
|
 |
Заголовок сообщения: Блок питания из сгоревшей лампы или ещё из чего-то. Часть 1 Добавлено: 10 апр 2011, 22:01 |
|
Зарегистрирован: 13 июл 2009, 18:52 Сообщения: 7140
|
Топик из нескольких частей: Часть 1, Часть 2, Часть 3, Часть 4Обсуждаем статьи, делимся опытом.Статьи.Как за час сделать импульсный блок питания из сгоревшей лампочки?Как намотать импульсный трансформатор для сетевого блока питания?Ремонт зарядного устройства LI-10C от фотокамеры Olympus.Несколько слов про экранирование импульсного источика питания. Мелкие подробности
- О способах получения необходимого тока в цепи первичной обмотке трансформатора обратной связи импульсного блока питания с автогенерацией. Схема с двумя ОС от NickF.
- О способе снижения нагрева резистора, ограничивающего базовый ток ключей.
Дополнительные материалы.Вложение: Стабилизированный БП из балласта КЛЛ.pdf Вложение: БП для шуруповёрта из балласта КЛЛ.doc - Скачать книгу "Блоки питания для системных модулей типа IBM PC-XT/AT" (0,9мБ).
- Скачать программу универсальный, портативный "Калькулятор" (радиолюбителя) (0,5мБ).
- Скачать Справочник "Источники питания" Москатова в формате DJVU (10МБ).
- Электро-технический стравочник. Корякин-Черняк (5,4МБ). Есть информация по балластам на микросхемах.
- Даташит на микросхему MC34063 со схемами повышения выходного тока на основе транзисторов PNP и NPN структуры (1МБ).
- Как изготовить светодиодную лампу из КЛЛ (0,5МБ).
- Полезные программы и справочники для радиолюбителя.
Пароль на все архивы: oldoctober.com
|
|
| Вернуться к началу |
|
 |
|
Сергеj
|
Заголовок сообщения: Re: Блок питания из сгоревшей лампы или ещё из чего-нибудь. Добавлено: 03 сен 2012, 19:40 |
|
Зарегистрирован: 01 сен 2012, 12:42 Сообщения: 18
|
|
Есть у меня балласты на IR2151 и на IR2153, но больше нравится - IR2520 реализует:
возможность установки времени прогрева начальных электродов; возможность установки скорости зажигания лампы за счет введения плавающей задающей частоты; возможность установки задержки включения силовых ключей; дополнительную защиту от незажигания лампы и включение защитного режима в момент ее отказа; защиту при перегорании накальных электродов и контроль наличия вставленной лампы; защиту от зажигания на частоте ниже резонансной; защиту от падения сетевого напряжения; автоматический перезапуск при кратковременном пропадании сетевого напряжения; защиту от перегрева кристалла.
|
|
| Вернуться к началу |
|
 |
|
Сергеj
|
Заголовок сообщения: Re: Блок питания из сгоревшей лампы или ещё из чего-нибудь. Добавлено: 03 сен 2012, 20:52 |
|
Зарегистрирован: 01 сен 2012, 12:42 Сообщения: 18
|
|
Если есть у кого печатка в формате Sprint-Layout для этой схемы, скиньте пожалуйста
| Вложения: |

схема.png [ 8.69 Кб | Просмотров: 83515 ]
|
|
|
| Вернуться к началу |
|
 |
|
VasVas
|
Заголовок сообщения: Re: Блок питания из сгоревшей лампы или ещё из чего-нибудь. Добавлено: 03 сен 2012, 21:54 |
|
Зарегистрирован: 28 май 2012, 22:14 Сообщения: 40
|
|
Эти ПП я размещал в этой же теме.
| Вложения: |
В НЕТ.rar [146.27 Кб]
Скачиваний: 324
|
|
|
| Вернуться к началу |
|
 |
|
Сергеj
|
Заголовок сообщения: Re: Блок питания из сгоревшей лампы или ещё из чего-нибудь. Добавлено: 03 сен 2012, 22:05 |
|
Зарегистрирован: 01 сен 2012, 12:42 Сообщения: 18
|
|
Спасибо VasVas, выбор предоставили большой, буду подбирать, мне нужно все это поместить на плате 27мм х 60мм вместе с трансом та еще и 5 вольтовой кренкой.
|
|
| Вернуться к началу |
|
 |
|
VasVas
|
Заголовок сообщения: Re: Блок питания из сгоревшей лампы или ещё из чего-нибудь. Добавлено: 03 сен 2012, 22:27 |
|
Зарегистрирован: 28 май 2012, 22:14 Сообщения: 40
|
Вложение:
Фото 3.jpg [ 49.77 Кб | Просмотров: 83511 ]
Вложение:
Фото 2.jpg [ 60.74 Кб | Просмотров: 83511 ]
А я наоборот, растягивал. Мне нужно было поставить транзисторы на ширину корпуса, стенки боковые которого были радиаторы. Вы пробежитесь по этой теме, Есть фото моих ИИП на базе КЛЛ и все терни постройки. Честно скажу, на 13007 сыроватая, Аккумулятор автомобильный заряжает хорошо, а на статической нагрузке через некоторое время ток падает (что то греется, а поторопился, в корпус закрыл и пропал интерес, бросил). На динамической не пробовал, да мне это и не нужно, я делал как зарядное устр. С КТ 809 работает хорошо. Мои сообщения на страницах 29 и 38 этой темы.
|
|
| Вернуться к началу |
|
 |
|
ZlostnyTip
|
 |
Заголовок сообщения: Re: Блок питания из сгоревшей лампы или ещё из чего-нибудь. Добавлено: 04 сен 2012, 11:57 |
|
Зарегистрирован: 31 авг 2012, 12:30 Сообщения: 23
|
admin писал(а): Кто-то пытается варить такие сердечники в воде, кто-то нагревать, а кто-то выдерживать в ацетоне. По-моему, проще намотать обмотку, не разбирая сердечник, или добавить внешний трансформатор на ферритовом колечке.
Да у меня проблема с размером. Мне нужно 21В постоянного напряжения с мощностью >= 10Вт. Всё это размещено в каркасе от КЛЛ (это обязательное условие!) С моим количеством витков и толщиной провода мотать через зазор становится очень не удобно. Вот и хотел красивее всё это сделать. У меня куча разных дросселей есть от ламп. Большое сечение магнитопровода только на одном. (~ 20мм квадратных) другие - от 6 до 10 мм2. Хочу попробовать вариант с ацетоном, поскольку думаю, что нежелательно лишний раз греть феррит.. Но не знаю, не разъест ли ацетон лак самой обмотки? И ещё вопрос! Почему при добавлении в резонансный контур конденсатора (между спиралями который) сгорают транзисторы? Что при этом происходит? Ну изменилась частота колебаний... ну и что из этого? никак понять я не могу... Ведь можно изменив какую-нибудь ёмкость добиться повышения частоты и, следовательно, повышения напряжения на вторичке "трансформатора"?
|
|
| Вернуться к началу |
|
 |
|
admin
|
 |
Заголовок сообщения: Re: Блок питания из сгоревшей лампы или ещё из чего-нибудь. Добавлено: 04 сен 2012, 12:36 |
|
Зарегистрирован: 13 июл 2009, 18:52 Сообщения: 7140
|
ZlostnyTip писал(а): Почему при добавлении в резонансный контур конденсатора... Если вы значительно снижаете ёмкость разделительного конденсатора в цепи трансформатора обратной связи (когда он включен последовательно с разделительным трансформатором), то для нормального открытия транзистора может просто не хватить тока. Если транзистор не до конца открыт, то большое падение напряжения на переходе коллектор-эмиттер мгновенно перегревает кристалл и транзистор выходит из строя. В некоторых пределах изменить частоту автогенерации, при прочих неизменных параметрах, можно путём подбора параметров трансформатора обратной связи. Но, в 99% случаев, Вы всё равно вернётесь к заводским параметрам, так как они обусловлены сечением и маркой магнитопровода.
_________________ Сделай сам. О бюджетном решении технических, и не только, задач. >>>
|
|
| Вернуться к началу |
|
 |
|
ZlostnyTip
|
 |
Заголовок сообщения: Re: Блок питания из сгоревшей лампы или ещё из чего-нибудь. Добавлено: 04 сен 2012, 13:33 |
|
Зарегистрирован: 31 авг 2012, 12:30 Сообщения: 23
|
|
Это что получается?... уменьшаю ёмкость...- падает частота, уменьшается напряжение на трансформаторе и понижается ток базы... Так? Но тогда почему кратковременно у меня получилось в этот момент на одно витке вокруг дросселя целых 5В? Когда при стандартных условиях обычно < 1В на виток? При снижении частоты упало сопротивление индуктивности и в "первичке" стал протекать больший ток? Так что ли?
|
|
| Вернуться к началу |
|
 |
|
ZlostnyTip
|
 |
Заголовок сообщения: Re: Блок питания из сгоревшей лампы или ещё из чего-нибудь. Добавлено: 04 сен 2012, 13:35 |
|
Зарегистрирован: 31 авг 2012, 12:30 Сообщения: 23
|
admin писал(а): В некоторых пределах изменить частоту автогенерации, при прочих неизменных параметрах, можно путём подбора параметров трансформатора обратной связи. А мне кажется, что гораздо проще ёмкость или индуктивность поменять. Ведь трансформатор у нас вроде только поддерживает генерацию. А частоту задают кондёры с дросселем.
|
|
| Вернуться к началу |
|
 |
|
admin
|
 |
Заголовок сообщения: Re: Блок питания из сгоревшей лампы или ещё из чего-нибудь. Добавлено: 04 сен 2012, 16:09 |
|
Зарегистрирован: 13 июл 2009, 18:52 Сообщения: 7140
|
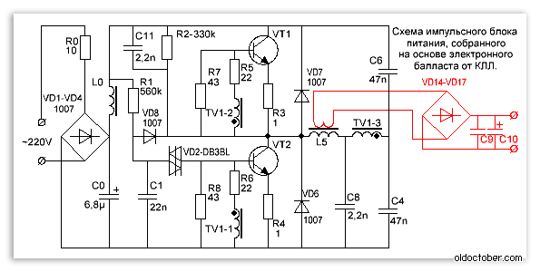
ZlostnyTip писал(а): Это что получается?... уменьшаю ёмкость... Конденсаторы C4 и C6 разделительные. Они разделяют цепь питания и нагрузку. Таким образом, постоянный ток не может попасть в нагрузку и «убить» её. В данном случае нагрузкой является трансформатор L5. Емкость этих конденсаторов может быть неограниченно большой. Например, если установить конденсаторы на единицы или сотни микрофарад, то они станут одновременно выполнять и функции входного фильтра, то есть конденсатора C0. Снижать же величину ёмкости этих конденсаторов не рекомендуется, так как тогда сохранённый в них заряд может не обеспечить необходимую мощность в нагрузке. Достаточно 0,1mF на каждые 100 Ватт при частоте 40KHz и выше. В нашем же блоке питания ток протекает не только через нагрузку, но и через трансформатор обратной связи. Это полезно, так как ток базы ключей меняется пропорционально нагрузке и КПД БП повышается. Но, это всё будет работать только, если искусственно не ограничивать этот ток. Именно поэтому, я рекомендую, при установке внешнего выходного трансформатора не убирать имеющийся в схеме дроссель. В режиме ХХ он и будет обеспечивать стабильную работу блока питания, поддерживая необходимый базовый ток. 
_________________ Сделай сам. О бюджетном решении технических, и не только, задач. >>>
|
|
| Вернуться к началу |
|
 |
Кто сейчас на конференции |
Сейчас этот форум просматривают: нет зарегистрированных пользователей и гости: 5 |
|
Вы не можете начинать темы Вы не можете отвечать на сообщения Вы не можете редактировать свои сообщения Вы не можете удалять свои сообщения Вы не можете добавлять вложения
|
|
|